Instalacje 14
-
Schemat instalacji fotowoltaicznej – krok po kroku -
Dwie instalacje fotowoltaiczne w jednym domu – czy możliwe? -
Wzór protokołu z przeglądu instalacji gazowej -
Schemat Instalacji Wodnej w Domu Jednorodzinnym -
Schemat Instalacji Fotowoltaicznej – Podłączenie Paneli PV -
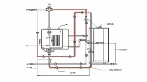
Schemat Instalacji Pompy Ciepła: Przewodnik -
Ogrzewanie Gazowe: Koszt Instalacji w Warszawie -
Instalacja elektryczna w łazience: bezpieczeństwo i normy -
Instalacja elektryczna na poddaszu: schemat krok po kroku -
Instalacja ogrzewania gazowego: przewodnik krok po kroku -
Odbiór instalacji elektrycznej – przewodnik krok po kroku -
Schemat Instalacji Off-Grid z Akumulatorem -
Montaż pieca na pellet w starej instalacji – krok po kroku -
Instalacja fotowoltaiczna 5 kW: Ile prądu wyprodukuje? -
Jak bezpiecznie wyłączyć instalację fotowoltaiczną -
Instalacje Fotowoltaiczne na Dachu Płaskim – Montaż i Zalety -
Koszty instalacji fotowoltaicznych 2025 -
Wymiana instalacji elektrycznej w bloku – pozwolenie -
Jakie ciśnienie w instalacji solarnej? 1-2,5 bara -
Jakie pomiary wykonuje się przy odbiorze instalacji elektrycznej -
Instalacja elektryczna w domu — jakie przewody