Schemat Instalacji Pompy Ciepła: Przewodnik
Instalacja pompy ciepła wymaga precyzyjnego schematu, który łączy hydraulikę z efektywnym ogrzewaniem domu. Wyobraź sobie, jak ten diagram staje się mapą twojej energooszczędnej przyszłości – od wyboru lokalizacji po integrację sterowania. Kluczowe wątki to schemat połączeń hydraulicznych, zapewniający płynny obieg ciepła, oraz ekologiczne aspekty, minimalizujące ślad węglowy. Rozdziały poniżej rozłożą to na czynniki pierwsze, krok po kroku, byś mógł sam ogarnąć montaż bez frustracji.

- Schemat Połączeń Hydraulicznych Pompy Ciepła
- Lokalizacja Jednostki w Schemacie Instalacji
- Komponenty Schematu Pompy Ciepła
- Integracja Sterowania w Schemacie Pompy
- Schemat Odbioru Ciepła w Instalacji
- Izolacja w Schemacie Instalacji Pompy Ciepła
- Ekologiczne Aspekty Schematu Pompy Ciepła
- Pytania i odpowiedzi: Schemat instalacji pompy ciepła
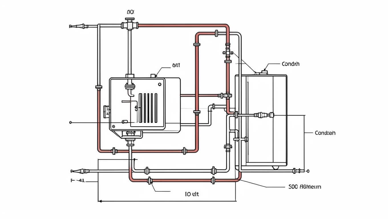
Schemat Połączeń Hydraulicznych Pompy Ciepła
Schemat połączeń hydraulicznych to serce instalacji pompy ciepła. Zaczyna się od jednostki zewnętrznej, połączonej rurami z czynnikiem chłodniczym do modułu wewnętrznego. Typowa średnica rur to 22 mm dla obiegów wodnych, co pozwala na przepływ 10-15 litrów na minutę bez strat ciśnienia. Bez tego, twoja pompa ciepła działałaby jak korek w butelce – pełna potencjału, ale zatkana.
W schemacie kluczowe jest rozdzielenie obiegów: źródłowego i grzewczego. Obieg źródłowy pobiera ciepło z powietrza lub gruntu, a grzewczy rozprowadza je do grzejników. Użyj zaworów mieszających, by temperatura nie przekraczała 55°C – to optimum dla efektywności. Pamiętasz, jak w starym domu grzejniki paliły prąd? Tu unikniesz tego błędu.
Krok po Kroku Montażu Połączeń
Zobacz także: Jakie ciśnienie w instalacji CO z pompą ciepła?
- Wyznacz punkty podłączenia: jednostka wewnętrzna na poziomie grzejników, zewnętrzna w odległości do 5 m.
- Połącz rury miedziane lub PE z izolacją termiczną o grubości 13 mm, kosztującej około 50 zł za metr.
- Zainstaluj pompę obiegową o mocy 50 W, zapewniającą ciśnienie 4 bary.
- Sprawdź szczelność pod ciśnieniem 6 barów, by uniknąć wycieków – to podstawa bezpieczeństwa.
- Dopasuj zawory termostatyczne, regulujące przepływ do 2-3 m³/h na obieg.
Cały schemat kosztuje 2000-3000 zł w materiałach, ale oszczędza do 40% na rachunkach. To nie magia, tylko fizyka w akcji. Jeśli planujesz remont, zacznij od szkicu na papierze – prosty trik, który ratuje nerwy.
Lokalizacja Jednostki w Schemacie Instalacji
Lokalizacja jednostki pompy ciepła decyduje o jej wydajności. Umieść zewnętrzną część na zewnątrz, z dala od okien, na betonowej podstawie 1x1 m. Wewnętrzna moduł ląduje w kotłowni o powierzchni minimum 2 m², z wentylacją zapewniającą 200 m³/h powietrza. Wybór miejsca to jak dobór stolika w kawiarni – blisko, ale nie w hałasie.
W schemacie uwzględnij odległości: do grzejników nie więcej niż 20 m rur, by straty ciepła nie przekroczyły 5%. Dla pomp gruntowych, sondy wierć na głębokość 100 m, koszt 5000-8000 zł. Powietrzne modele wolą zacienione miejsca, unikając bezpośredniego słońca, które obniża COP o 10%. To detale, które robią różnicę w zimowe wieczory.
Zobacz także: Dwie pompy obiegowe w instalacji CO: zalety i montaż
Optymalne Miejsca w Praktyce
- Sprawdź dostęp do prądu: gniazdo 230V, 16A, w odległości 2 m od jednostki.
- Zapewnij przestrzeń serwisową: 1 m z każdej strony dla techników.
- Dla balkonowych instalacji, użyj modeli o wadze do 50 kg, montowanych na uchwytach aluminiowych za 300 zł.
- Unikaj piwnic bez izolacji – wilgoć może skrócić żywotność o 20%.
Źle wybrana lokalizacja to strata 15-20% efektywności. Wyobraź sobie pompę pracującą na marne – smutne, prawda? Zawsze konsultuj z diagramem, by twój dom stał się oazą ciepła.
Komponenty Schematu Pompy Ciepła
Komponenty schematu pompy ciepła tworzą zgraną ekipę. Główna jednostka o mocy 8-12 kW waży 80 kg i kosztuje 15 000-25 000 zł. Wymiennik ciepła z miedzianymi lamele przenosi 4-5 kW na m². Bez nich, instalacja to tylko rury i marzenia.
Zobacz także: Schemat instalacji pompy ciepła z buforem – przewodnik
Sprężarka inwerterowa reguluje obroty, oszczędzając 30% energii w porównaniu do on/off. Dodaj zbiornik buforowy 200 l za 1500 zł, stabilizujący temperaturę. Filtry i zawory bezpieczeństwa chronią przed zanieczyszczeniami – standard w każdym schemacie. To jak składniki przepisu: brak jednego psuje całość.
Lista Kluczowych Elementów
- Sprężarka: moc 2-3 kW, hałas poniżej 50 dB.
- Wymiennik: powierzchnia 10 m², ciśnienie max 10 bar.
- Zbiornik akumulacyjny: izolacja 50 mm, objętość 100-300 l.
- Zawory kulowe: średnica 1 cal, z uszczelkami EPDM.
- Czujniki temperatury: zakres -20 do +60°C, dokładność ±0.5°C.
- Filtry Y: siatka 100 mikron, wymiana co rok.
Całość waży 150-200 kg, instalacja trwa 2-3 dni dla ekipy. Wybierz komponenty z certyfikatem Eurovent – gwarancja jakości. W ten sposób twoja pompa ciepła staje się niezawodnym sojusznikiem.
Zobacz także: Pompa do płukania instalacji CO – wypożyczalnia
Integracja Sterowania w Schemacie Pompy
Integracja sterowania w schemacie pompy ciepła to mózg operacji. Panel dotykowy z Wi-Fi pozwala na appkę mobilną, regulującą temperaturę z precyzją 0.5°C. Podłącz do termostatu pokojowego za 500 zł, synchronizując z pogodą. Bez tego, pompa działa na ślepo – jak kierowca bez GPS.
W schemacie połącz sterownik z modułami Modbus, umożliwiając integrację z fotowoltaiką. Automatyka wyłącza pompę przy temperaturze zewnętrznej powyżej 15°C, oszczędzając 20% prądu. Ustaw harmonogram: 20°C w dzień, 16°C nocą. To empatyczne podejście do twojego portfela.
Kroki Integracji
Zobacz także: Pompa do czyszczenia instalacji CO - Skuteczne Płukanie i Odkamienianie
- Podłącz przewody: 4-żyłowy kabel 1.5 mm² do sterownika.
- Skonfiguruj sieć: IP 192.168.1.x, protokół TCP/IP.
- Dodaj moduły rozszerzeń dla CWU, koszt 800 zł.
- Testuj: symuluj awarię, by sterowanie przejęło kontrolę w 10 s.
- Integruj z BMS: dla domów inteligentnych, redukcja zużycia o 15%.
Sterowanie to nie gadżet, a konieczność – podnosi COP z 3 do 4.5. Śmieję się, gdy ktoś mówi "ręczne", bo kto ma czas na to w 2025? Twój schemat zyska życie.
Schemat Odbioru Ciepła w Instalacji
Schemat odbioru ciepła w instalacji pompy skupia się na dystrybucji. Podłogowe ogrzewanie z rurami 16 mm rozprowadza ciepło równomiernie, na głębokości 5-10 cm w wylewce. Dla grzejników, użyj niskotemperaturowych paneli o mocy 100 W/m². To zapewnia komfort bez suchości w powietrzu.
Włącz CWU: bojler 200 l z wężownicą 2 m², podgrzewający wodę do 50°C w 2 godziny. Schemat łączy obie pętle zaworem 3-drogowym. Straty na odbiorze to max 10%, jeśli izolacja jest na miejscu. Wyobraź sobie ciepły prysznic po mroźnym dniu – warto.
Typy Odbiorników
- Podłogówka: rozstaw rur 15 cm, koszt 50 zł/m².
- Grzejniki: aluminiowe, 8 żeber, 1.5 kW sztuka.
- Ćwierć: wentylatory kanałowe, 500 m³/h.
- CWU: wymiennik płaszczowy, ciśnienie 3 bary.
Odbiór ciepła to finał schematu – źle dobrany marnuje energię. Wybierz podłogę dla rodzin z dziećmi; miękkie ciepło pod stopami. Twój dom podziękuje.
Integracja z istniejącymi systemami trwa 1 dzień, koszt 1000 zł. To analityczne podejście: mierzyć, by nie marnować.
Izolacja w Schemacie Instalacji Pompy Ciepła
Izolacja w schemacie instalacji pompy ciepła zapobiega ucieczce ciepła. Użyj otulin z pianki PE o grubości 19 mm na rurach, redukując straty o 80%. Dla jednostki, obudowa z wełny mineralnej 50 mm, koszt 200 zł/m². Bez izolacji, pompa traci sens – ciepło ulatuje jak dym.
W schemacie owiń zbiorniki folią aluminiową, odbijającą 95% promieniowania. Dla gruntowych, izoluj sondy styropianem XPS 30 mm. To empatia dla środowiska: mniej pracy dla pompy, dłuższa żywotność. Ha, bez tego rachunki rosną szybciej niż temperatura.
Metody Izolacji
- Rury: otulina elastyczna, λ=0.035 W/mK.
- Zbiorniki: maty z kauczuku, grubość 25 mm.
- Łączenia: taśma klejąca butylowa, 10 zł/m.
- Podstawa: płyta poliuretanowa 40 mm, nośność 500 kg/m².
- Kontrola: termowizja, wykrywająca mostki termiczne poniżej 2°C.
Izolacja to inwestycja: zwraca się w rok przez oszczędności 500 zł rocznie. Analizuj schemat z lupą – detale liczą się najbardziej.
Ekologiczne Aspekty Schematu Pompy Ciepła
Ekologiczne aspekty schematu pompy ciepła podkreślają zrównoważony rozwój. Pompa redukuje CO2 o 50% w porównaniu do kotła gazowego, zużywając 1 kWh prądu na 4 kWh ciepła. Użyj czynnika R32, o GWP 675 – niski wpływ na ozon. To krok ku zielonemu domowi, bez wyrzutów sumienia.
W schemacie integruj z PV: panele 5 kWp pokrywają 70% zapotrzebowania. Recykling komponentów: 90% miedzianych rur wraca do obiegu. Dla gruntowych, minimalizuj wykopy – 100 m sondy to 0.01 ha ziemi. Ekologia to nie moda, a konieczność w twoim schemacie.
Zielone Korzyści
- Emisje: spadek o 2 tony CO2/rok dla domu 150 m².
- Energia: COP 4.0, oszczędność 3000 kWh rocznie.
- Materiały: biodegradowalne izolacje z celulozy.
- Certyfikaty: zgodność z REHVA, dotacje do 50% kosztów.
- Żywotność: 25 lat bez szkodliwych wycieków.
Schemat ekologiczny to storytelling sukcesu: czysty dom, czyste sumienie. Wybierz pompę z etykietą A+++, by natura uśmiechnęła się z powrotem. To twoja spuścizna dla pokoleń.
Pytania i odpowiedzi: Schemat instalacji pompy ciepła
-
Co zawiera typowy schemat instalacji pompy ciepła?
Schemat instalacji pompy ciepła obejmuje jednostkę główną, połączenia hydrauliczne do źródła ciepła (powietrze, grunt lub woda), system sterowania oraz punkty odbioru ciepła, takie jak grzejniki, podłogowe ogrzewanie lub podgrzewacz wody użytkowej. Kluczowe elementy to precyzyjne podłączenia, które minimalizują straty energii i zapewniają efektywność układu.
-
Jakie są podstawowe połączenia hydrauliczne w schemacie pompy ciepła?
Połączenia hydrauliczne w schemacie obejmują rury doprowadzające i odprowadzające czynnik chłodniczy z jednostki zewnętrznej do wewnętrznej, integrację z obiegiem grzewczym budynku oraz zawory bezpieczeństwa. Precyzja tych połączeń zapobiega wyciekom i stratą ciepła, co obniża koszty eksploatacji i poprawia komfort termiczny w pomieszczeniach.
-
Gdzie należy umieścić pompę ciepła według schematu instalacji?
Lokalizacja pompy ciepła zależy od źródła energii: jednostka zewnętrzna powinna być blisko źródła (np. na zewnątrz dla powietrznych pomp), z uwzględnieniem dostępu do wentylacji i izolacji. Schemat podkreśla minimalizm przestrzenny, aby zachować estetykę budynku, unikając zbędnych elementów i zapewniając łatwy serwis.
-
Jak zintegrować pompę ciepła z systemem ogrzewania i wody użytkowej?
Integracja schematu pompy ciepła z systemem ogrzewania obejmuje podłączenie do grzejników lub podłogówki, a dla wody użytkowej – do bojlera z automatycznym sterowaniem. System inteligentny reguluje temperaturę, optymalizując zużycie energii i redukując emisje, co czyni instalację ekologiczną i dostosowaną do potrzeb budynku.